Ionizer Products
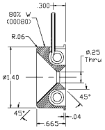
Model 101057 Spherical Ionizer
1200°C+ Operation
Moly body, integral toroid heater
Estimated power: 9.5V, 15.8A @ 1200°C
Tripod thermal isolation mount
-01 has Ø.030" Mo lead
-02 has overwrap and extension
Previous Model Q-829
Model
101278
available with M
o
R
e
leads
Model
101869
available in Ø1.375 O.D.
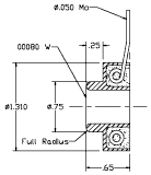
Model 101207 Ionizer Heater
1200°C+ Operation
00080 Tungsten body, integral toroid heater
Beam forming nose
Previous Model Q-85A-1
Model 101148 Conical Ionizer
Integral Heater
Tungsten ionizing surface
Toroid heater
Ø1.63 Ionizer available (
#101345
)
Model 101145 Ionizer Reservoir Assembly
Porous W ionizing frit
Frit heater
Reservoir preheaters and cooling
Caps, gaskets, screw kits
See
TB-177
for details
Also available with output aperture:
#101200-01, Ø.039" (1mm)
#101200-02, Ø.059" (1.5mm)
#101200-03, Ø.079" (2mm)
#101200-04, Ø.165" (4.2mm)
#101200 reduced aperture diameters
Complete specifications (#101145)
Complete specifications (#101200)
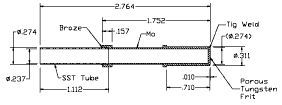
Model 101147 Ionizer Tube
Porous Tungsten ionizer frit
Brazed/Welded construction
Moly/SST feed tube
Use with heater
#101149
or
#101144
Previous Model Q-41
Similar to Model
101059
except SST feed tube extension
Available with Ø.250" SST feed tube
#101370-01, 2.343 OAL
#101370-02, 3.350 OAL
Reduced apertures available
Model 101059 Ionizer Tube
Porous Tungsten ionizer frit
Welded construction
Use with heater
#101149
or
#101144
Previous Model PE2036
Similar to Model
101147
except all moly feed tube
Reduced apertures available
Model 101150 Ionizer Tube
Porous Tungsten ionizer frit
Welded construction
Moly tube
Use with heater
#101149
and
#101144
Previous Model X-226, G-792
Model 101946 Cesium Ionizer
#101946
#103018
Apertured Hot Tungsten ionizer frit
Thermally isolating re-entrant support
Use with heater
#101149
or
#101144
Ø1.33" double sided CF flange mount
Fits
101647
moly electrode
Model 102454 C
s
Ionizer with Heater on CF Flange
#102454 shown in shipping fixture
Complete specifications
Model 101144-01, 1200°C UHV Ionizer / Stub Heater
Moly body
Non Gassy
Available with OD shield pack (101144-02) (shown in photo)
7.5-8V, 30A @ 1100-1150°C
>>10,000 hours in UHV
Can be used to heat the frit on the
#101145 Reservoir/Ionizer
Assembly
RELATED PRODUCTS
Temperature Controllers and Power Supplies
Hook-Up Components, Hardware
Thermocouples
Sample Clips
Feedthrus, Flanges, Fittings
Reference Documents
Complete Specifications
Model 101149, 1200°C UHV Ionizer Heater
Moly body with Pure Al
2
O
3
insulation
Previous reference X-225
May be used with
#101147 Ionizer
RELATED PRODUCTS
Temperature Controllers and Power Supplies
Hook-Up Components, Hardware
Thermocouples
Sample Clips
Feedthrus, Flanges, Fittings
Reference Documents
Complete Specifications
Model 101448, Ø1.0" ID Ionizer Heater
-01 with sheilds (as pictured)
-02 without shields (as drawn)
Coaxial Ta Sheath Heater Element with Ta Core
1200°C Rating (Estimated 13V, 32A)
Terminated Leads
Available with radiation shielding (shown in photo, optional)
.100" OD sheath, .040" Dia. Core
.062" Dia. sheath also available
Can be used to heat the Reservoir on the
#101145 Ionizer/Reservoir Assembly
#101955 is the basic sheathed heating element
available by the foot
RELATED PRODUCTS
Temperature Controllers and Power Supplies
Hook-Up Components, Hardware
Thermocouples
Sample Clips
Feedthrus, Flanges, Fittings
Reference Documents
Complete Specifications
Model 101422 Ø1.0" ID Ionizer Heater
Coaxial Ta Sheath Heater Element with Ta Core
1200°C Rating
Terminated Leads
Can be used to heat the Reservoir on the
#101145 Ionizer/Reservoir Assembly
#101955 is the basic sheathed heating element
available by the foot
RELATED PRODUCTS
Temperature Controllers and Power Supplies
Hook-Up Components, Hardware
Thermocouples
Sample Clips
Feedthrus, Flanges, Fittings
Reference Documents
Complete Specifications
Model HWPES-250 Hollow Cathode Plasma Source
HWPES-250
HWPES-375
10A electron current
Also available -375 (0-25A), -500 (0-50A)
Plasma neutralizing or enhancement
Low temperature operation
See
TB-173
for detailed specifications
Model 101559 Hollow Cathode
101559 Hollow Cathode
Type 53280 emmitter
Low temperature operation (+/- 1000°C)
Indirectly heated with Ta sheath element
Available without terminal lug as 101559-02
For charge neutralizing and plasma enhancement
applications with Xe, Ar, or H2 flow
See
Hollow Cathode Inserts
for common emitter sizes
Model 101053 Hollow Cathode
101053 Hollow Cathode
101053 Hollow Cathode without shield
Type 61280 emitter
Indirectly heated
Plasma spray Alumina heater insulation
Bifilar non-inductive heater
1/8" gas port
Shown without heat shield and keeper electrode
Close-up of heater/tube
Complete drawing
Model 101732 Hollow Cathode "Tip"
Tantalum Emitter
Available with external heater and shields
Keepers available
Plasma enhancement and neutralizing applications
Various tip options
Hollow Cathode Inserts
Barium dispenser cathodes
Optional Rhenium leads
Precision OD
Space applications
Model 101296
Ø.0945" OD x .039" ID x .512" long
Ø.015 Re leads (2)
Type 61280
Model 101433
Ø.420" OD x .320" ID x 1.00" long
Ø.025 Re leads x 5" long (2)
Type 61280
Model 101302 (not shown)
Ø.2115" OD x .149" ID x 1.005" long
No leads
Type 61280 (-01), 411X80 (-02)
Model 101320 (not shown)
Ø.079" OD x .040" ID x .625" long
No leads
Model 101023 Duoplasmatron Hollow Cathode Assembly
Directly heated dispenser cathode emitter
Emitter capable of >40,000 hours at >40 Amps CW
Excellent stability and long life
Beam current can go thru legs
Durable Moly shield/housing and terminations
Complete drawing
Model 101033 Directly Heated Dispenser Cathode
#101033
Typical mounting of #101033 cathode
#101031
alternate support legs
Ø1/2" Coil
40A electron current CW
60A pulsed electron current
Plasma applications
7.5 turns, Type 31180
1/4", 3/8", 1/2", 5/8", 3/4" and custom diameter coils available
See
TB-186
for detailed specifications
#104480 directly heated spiral cathode
Additional specifications
Model 101152 "Peace Pipe" Ionizer
Hot Tungsten ionizer frit
Coaxial gas flow
Previous Model X-331, R-500
Model 101824 Custom CTI H2 Source
#101824
Complete Specifications
Grids
Planar and formed shapes available
Etched and Woven Mesh Grids
Materials include Molybdenum, Tungsten, Hafnium and Copper
Non Emissive Materials and Coatings
Stock Moly Materials of various transparencies
See
TB-172
for detailed specifications